首页 > 应用案例 > 浏览文章

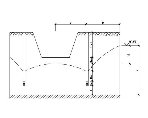
降水、沉井及顶管施工方案简图

(日期:2020年03月17日 浏览:次 )

降水、沉井及顶管施工方案简图

北京pk1o开奖网-北京pk开奖结果查询-北京pk十开奖结果走势-北京pk赛车计划稳赚-北京pk赛车10开奖直播顶管机技术部发布的降水、沉井及顶管施工方案简图

顶管机: